1. Jurnal [Kembali]
2. Alat dan Bahan [Kembali]
Module D'Lorenzo
4. Jumper.
5.  Multivibrator monostabil
    Multivibrator Monostabil merupakan multivibrator yang menggunakan 1 keadaan stabil. Ketika diberikan striger multivibrator ini akan berubah sesaat dan kembali lagi ke posisi semula atau ke keadaan stabil.
IC 74CH123
6. ResistorResistor atau disebut juga dengan Hambatan adalah komponen elektronika pasif yang berfungsi untuk menghambat dan mengatur arus listrik dalam suatu rangkaian elektronika.
Resistor
7. Kapasitor
Kapasitor atau disebut juga dengan kondensator adalah komponen elektronika pasif yang dapat menyimpan energi atau muatan listrik dalam sementara waktu.
Kapasitor
8. Dioda
Dioda adalah komponen aktif dua kutub yang pada umumnya bersifat semikonduktor, yang memperbolehkan arus listrik mengalir ke satu arah (kondisi panjar maju) dan menghambat arus dari arah sebaliknya (kondisi panjar mundur).
Dioda 1N4001
9. Potensiometer
Potensiometer (POT) adalah salah satu jenis Resistor yang Nilai Resistansinya dapat diatur sesuai dengan kebutuhan Rangkaian Elektronika ataupun kebutuhan pemakainya.
Potensiometer
10. SPDT
SPDT adalah singkatan dari Single Pole Double Throw. Switch jenis ini dapat menghubungkan dan memutuskan satu sambungan arus listrik pada dua arah sambungan.
3. Rangkaian Simulasi [Kembali]
4. Prinsip kerja rangkaian [Kembali]
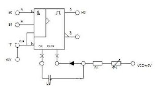
Pertama-tama terdapat sumber +5V yang disambungkan ke CLR dan juga saklar dihubungkan ke A dan B.  Cx dihubungkan ke kutub negatif kapasitor, RX CX ke kutub katoda dan kaki anoda disambungkan pada kutub positif capasitor, lalu R1 dengan P1 diserikan dan dihubungkan ke vcc +5v.  Di rangkaian ini digunakan jumper untuk menghubungkannya.
Dari percobaan yang telah dilakukan, Jika kondisi A=0 dan B=0 maka LED H3/Q' akan menyala. Namun, Jika A=0 dan B=1 maka LED H0/Q akan hidup sebentar lalu mati kembali dan kemudian LED H3 akan menyala. Jika kondisi A=1 dan B=1 maka LED H3/Q' akan menyala. Besar nilai kapasitor dan resistor juga akan mempengaruhi lama dari lampu LED yang ter-trigger untuk menyala. Semakin besar nilai kapasitor dan resistor maka LED nya akan lama menyala sebelum berpindah ke LED kondisi awalnya dan begitu juga untuk sebaliknya. Jadi percobaan yang dilakukan ini sudah sesuai dengan prinsip kerja dari rangkaian multivibrator monostabil yang mana ketika di triger dia akan berpindah sesaat akan tetapi kembali lagi ke kondisi awalnya
5. Video Rangkaian [Kembali]
6. Analisa [Kembali]
1. Jelaskan pengaruh Resistor dan kapasitor pada percobaan 3 
kapasitor dan resistor memiliki pengaruh dalam waktu lamanya LED berpindah dari keadaan tidak stabil ke stabil kembali. Dari hasil percobaan dapat kita dapatkan bahwasanya semakin besar nilai kapasitor dan resistor, maka semakin lama LED pada keadaan tidak stabil menyala. Sebaliknya, jika semakin kecil nilai kapasitor dan resistor, maka LED pada keadaan tidak stabil semakin sebentar.
2. Analisa dan Bandingkan hasil jurnal yang didapatkan di praktikum dengan hasil jurnal perhitungan, carilah persentase errornya.
Pada hasil waktu percobaan dengan hasil perhitungan nilainya ada yang berbeda jauh ataupun mendekati hasil percobaan. Hal ini dapat terjadi karena dalam percobaan terdapat human error. Pada saat menghitung waktu percobaan, kita lakukan secara manual dengan menggunakan stopwatch. Ketika LED berpindah ke tidak stabil, kesalahan dapat terjadi seperti telat untuk menekan dan juga ketika LED berpindah ke stabil kita juga telat untuk memberhentikannya.
Dari hasil %Error yang didapatkan dengan menggunakan rumus:
%error = | perhitungan - percobaan | / perhitungan x 100%
Dari hasilnya, dapat dilihat dari rata-rata error itu bernilai lebih dari 50%. Error yang dapat dikatakan begitu besar.
7. Link Download [Kembali]

.jpeg)
Tidak ada komentar:
Posting Komentar